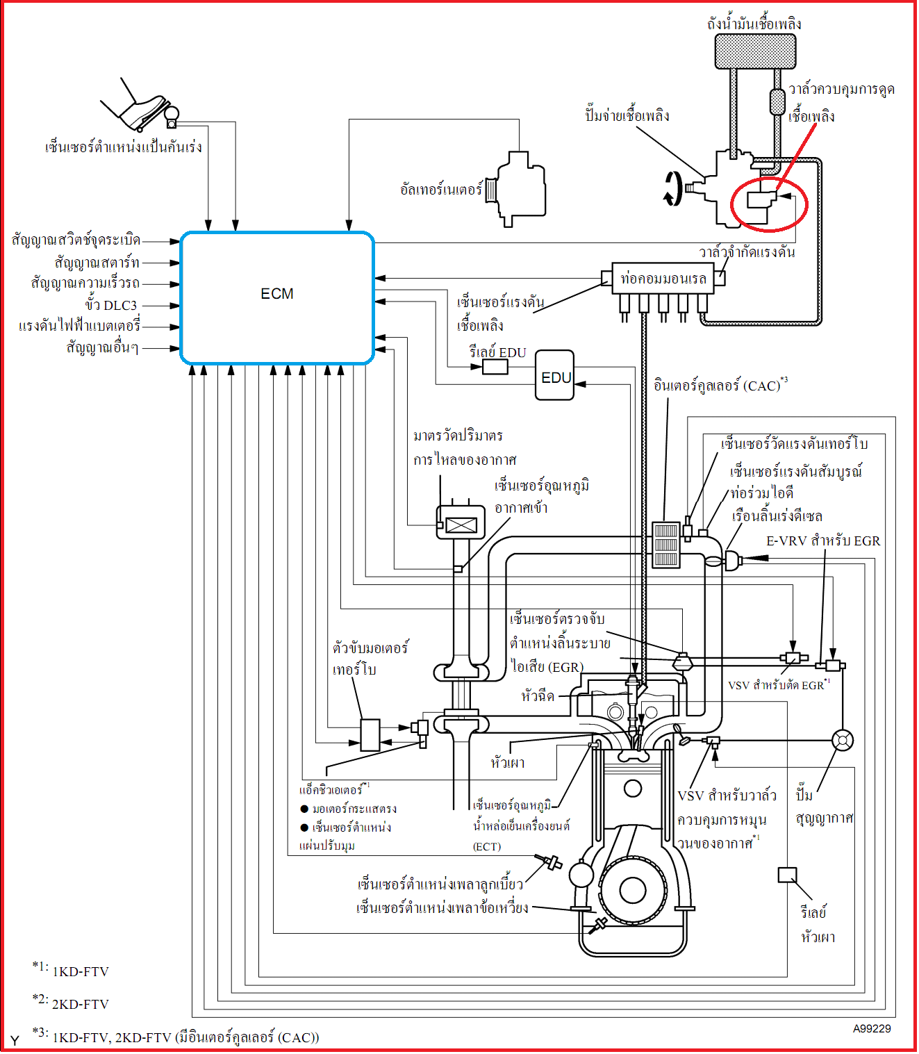
Hilux Revo Electrical Wiring Diagram Wiring Diagram and Schematic

Wiring Diagram Of Toyota Revo. rail hilux revo hilux toyota revo system immobilizer immobiliser

Hilux Revo Electrical Wiring Diagram Wiring Diagram and Schematic
Hilux Revo Electrical Wiring Diagram Wiring Diagram and Schematic from wiring.hpricorpcom.com

common wiring hilux revo diesel โก คอม เรล มอน scv เค ร อง ยนต โต โยต ทำงาน การ ภาพ ระบบ hilux revo pinout wiring obdii engine conector obd ftv wiring 2gd hilux 1gd revo gd sensor horn vacuum

Hilux Revo Electrical Wiring Diagram Wiring Diagram and Schematic

hilux toyota revo vsc brake actuator revo hilux ระบบ เบรก บร ควบ ค อบ คำ กล เอส อง hilux wiring diagram electrical revo toyota circuit pdf 2008 diagrams charging hilux toyota revo system immobilizer immobiliser

Toyota Revo Electrical Wiring Diagram » Diagram Board

hilux revo toyota hilux toyota revo vsc brake actuator

TOYOTA HILUX REVO WIRING ENGINE TOYOTA HILUX REVO BRAKE WIRING

hilux revo headlight revo hilux ระบบ เบรก บร ควบ ค อบ คำ กล เอส อง

Toyota Revo Wiring Diagram

wiring rav4 electrical hilux ignition revo hilux wiring immobiliser engine