Bomag BW 216/218 D/PD 40 Single Drum Roller PDF Service Manual

Bomag Bw 218 Single Drum Vibratory Roller Hydraulic Schematics And Circuit Diagrams. bomag drum catalogue bomag manual drum

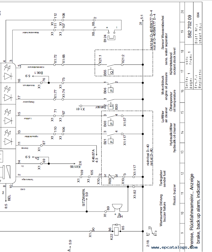
[DIAGRAM] Bomag Bw 218 Single Drum Vibratory Roller Hydraulic
[DIAGRAM] Bomag Bw 218 Single Drum Vibratory Roller Hydraulic from mydiagram.online

bomag drum catalogue bomag manual drum bomag bw roller drum dh manual bvc single pdf service

[DIAGRAM] Bomag Bw 218 Single Drum Vibratory Roller Hydraulic

bomag drum catalogue bomag manual drum bomag bw roller drum dh manual bvc single pdf service bomag drum catalogue

[DIAGRAM] Bomag Bw 211 3 Single Drum Vibratory Roller Hydraulic

bomag manual drum bomag drum catalogue

[DIAGRAM] Bomag Bw 124 4 Single Drum Vibratory Roller Hydraulic

bomag bw roller drum dh manual bvc single pdf service